行星减速机系列
命名规则配无刷行星减速机配步进行星减速机配伺服行星减速机
你现在所在的位置:网站首页 > 产品中心 > 行星减速机系列 > 配步进行星减速机 > 57mm-2系列行星减速机
行星减速机系列-步进电机供应商振合机电

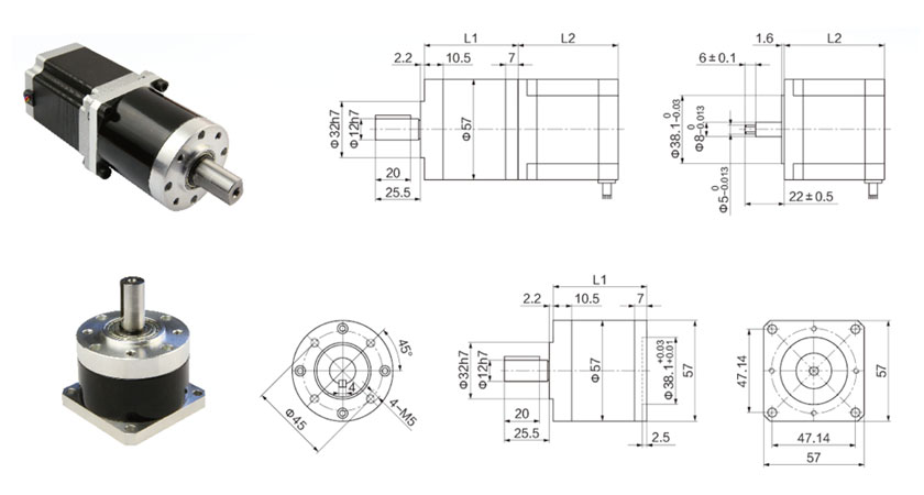
57mm-2系列行星减速机

产品名称:57mm-2行星减速机
产品类别:配步进行星减速机
产品型号:ZH57PG14A14A、ZH57PG14A10B、ZH57PG16A14A
产品下载:57mm-2行星减速机(配步进)
产品简介:振合机电57mm系列加强传动型减速机,均采用国际标准钢材,用20CvMnT渗碳淬火和磨齿,体积小巧,重量轻,输出扭矩大。回程间隙小,钢性好,承载能力强。传动效率高,转动比范围广,精度高。噪声低,寿命长。安装方便、外形美观。保证精密传动的前提下完美运用在降低转速增大扭矩和降低负载/电机的转动惯量比的使用场合.
产品详情

特点
体积小巧,重量轻,输出扭矩大。
回程间隙小,钢性好,承载能力强。
传动效率高,转动比范围广,精度高。
噪声低,寿命长。
安装方便、外形美观。
保证精密传动的前提下完美运用在降低转速增大扭矩和降低负载/电机的转动惯量比的使用场合。
应用领域
振合机电行星减速系列产品目前已广泛应用于雕刻机、激光机、数控机床、纺织服装机械、医疗设备、测量设备、电子加工设备、包装机械设备等需要降低转速增大扭矩和降低负载/电机的转动惯量比的各种自动化设备和仪器上。
减速机数据


外形尺寸

相关步进电机推荐
直线步进电机相关行业资讯
1、要知道正确的操作步进电机对于人们而言很是重要
2、直线模组联轴器同心调整原理
3、步进电机在构造上有三种主要类型
4、需要这样进行步进电机的运输
5、直线执行器的选择依靠什么
6、排名靠前及大型厂家生产的步进电机更好
7、三相步进电机
8、步进电机异常振动会带来的危害
9、如何检修步进电机驱动器烧MOS管现象
10、步进电机控制系统的组成
11、PLC对步进电机加减速精确定位控制原理
12、步进电机静态指标术语
13、步进电机的轴承磨损严重的时候要及时更换
14、步进电机低速也能运转,为什么
15、步进电机运用在3D打印机上的一些相关知识