特点
工作电压:直流输入电压12VDC~50VDC,推荐工作电压36V
连续输出电流最大值10A,最大峰值电流22A(3倍的过载能力)
可接受差分和单端式脉冲/方向指令,具有位置/速度/力矩三种控制模式
采用FOC磁场定位控制技术和空间矢量脉宽调制(SVPWM)控制技术
每圈脉冲数可通过调试软件或拔码设定(电子齿轮比)
可以选90W,130W和180W三款直流无刷伺服电机
具有过压、欠压、过流和超差等保护功能
单/双脉冲模式、脉冲有效沿可选
控制指令最大脉冲频率为500KHz(出厂默认为200KHz)
脉冲,方向和使能信号输入接口电平为4.5-28V兼容
具有串口RS232调试功能,但需使用本公司专用的串口调试线缆
性能:速度平稳,超调小,跟踪误差小,电机和驱动器低发热
应用领域
适合各种中小型自动化设备和仪器,例如:喷绘机、中小型雕刻机、电子加工设备、自动抓取设备、专用数控机床、包装设备和机器人等。在用户期望低噪声、高速度的设备中应用效果尤佳。
概述
ZHWSYT57是振合机电有限公司基于多年低压交流伺服系统经验和集成一体化产品研制开发的一款新型交流伺服电机与驱动器集成一体化的低压交流伺服产品,本产品采用了最新DSP数字处理芯片和先进的控制算法技术,为设备制造厂商提供了一种高性价比的伺服驱动解决方案。WSYT57结构紧凑,体积小巧,且由于驱动器与电机集成一体,节省了驱动器与电机间的连线,减低了线间的电磁干扰;采用了更优振动技术和低发热技术,有效的解决了发热、振动和噪声等问题。
产品规格

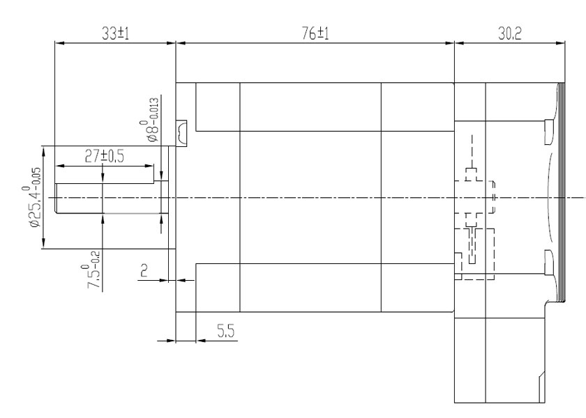
外形尺寸


注意事项
1.当输入电压高于50Vdc时,驱动器会停止工作。此时必须排除故障,重新上电复位。
2.当输入电压低于12Vdc时,驱动器会停止工作。此时必须排除故障,重新上电复位。
3.当发生过流时,驱动器会停止工作。此时必须排除故障,重新上电复位。
4.当发生跟踪误差超差时,驱动器停止工作。此时必须排除故障,重新上电复位。
5.由于驱动器不具备电源正负极反接保护功能,因此,上电前请再次确认电源正负极接线正确。正负极接反将导致烧坏驱动器中的保险管!