步进电机系列
两相步进电机三相步进电机五相步进电机刹车步进电机防水步进电机
你现在所在的位置:网站首页 > 产品中心 > 步进电机系列 > 刹车步进电机 > 86mm刹车步进电机
步进电机系列-步进电机供应商振合机电

86mm刹车步进电机

产品名称:86mm两相步进电机
产品类别:两相步进电机
产品型号:ZH86HB8060S、ZH86HB11860S、ZH86HB15660S
产品下载:86mm两相步进电机
产品简介:电磁制动,又名刹车、报闸、制动器,当电机断电时刹车系统瞬间启动,把电机轴牢牢锁死,阻止设备因断电,使电机因工作负载自然下滑或外力水平移动,以保持工作停止原位状态,通电后及时松开不影响电机正常工作。

产品详情

特点
86刹车步进电机,步进、伺服电机专用制动器:
1、失电制动,掉电保护电机及设备的安全;
2、反应时间是普通弹簧压紧电磁制动器的1/10;
3、体积小,保持扭力大,并可线性调节;
4、完全实现高速零损耗静音运行,超长寿命表现;
5、功耗小,热平衡温度低;
6、使用中无需高速气隙,任意角度实现均衡制动;
7、大温度范围内提供稳定的制动扭矩;
8、外形订制,可与电机紧密配成一体;
9、高精度定位步进电机、伺服电机,特别是Z轴运动系统的首选制动单元。
产品规格


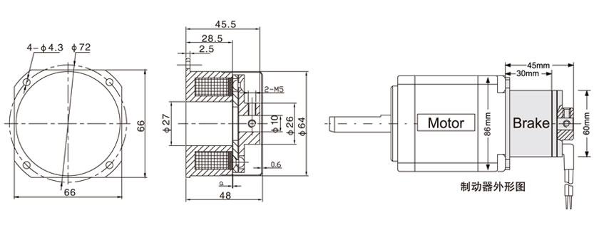
外形尺寸


刹车矩频特性

相关步进电机推荐
直线步进电机相关行业资讯
1、直线电机控制技术可分为几个方面?
2、台北自动化展,TOYO滑台模组精、准、快、稳
3、步进电机干扰问题的解决方法
4、给大家简要介绍一下步进电机的分类
5、可以从这些方面来对步进电机进行保养以及维护
6、合理的护理能让直线轴承性能更加优秀
7、智能步进步进融合了步进电机和驱动技术于一体
8、三相混合式步进电机的工作原理
9、要注意选择性能好的步进电机
10、步进电机厂家想要发展需要需要做到哪些
11、减速步进电机会发生渗漏油的4大原因
12、振合机电步进电机“五大性价比”引领同行前瞻
13、振合高性能混合式二相57和86步进电机选型
14、用户要明确步进电机外表允许的最高温度是多少
15、什么是电子齿轮?它是怎么改变脉冲频率的?