特性
高精度,定位精度可达0.1μm
直线丝杆步进电机因传动机构简单减少了插补滞后的问题,定位精度、重复精度、绝对精度,通都会较“旋转伺服电机 & 滚珠丝杠”高,且容易实现。直线丝杆步进电机定位精度可达0.1μm,“旋转伺服电机 滚珠丝杠”最高达到2~5μm。
高速度,最高可达300m/min
从速度上和加速度的对比上,直线丝杆步进电机具有相当大的优势,直线丝杆步进电机速度可达300m/min,加速度10g;滚珠丝杠速度为120m/min,加速度为1.5g。而且直线丝杆步进电机在成功解决发热问题后速度还会进一步提高,而“旋转伺服电机 & 滚珠丝杠”在速度上却受到限制很难再提高较多。
高寿命,维护简单
直线丝杆步进电机因运动部件和固定部件间有安装间隙,无接触,不会因动子的高速往复运动而磨损,长间使用对运动定位精度无变化,适合高精度的场合。滚珠丝杠则无法在高速往复运动中保证精度,因高速摩擦,会造成丝杠螺母的磨损,影响运动的精度要求,对高精度的需求场合无法满足。
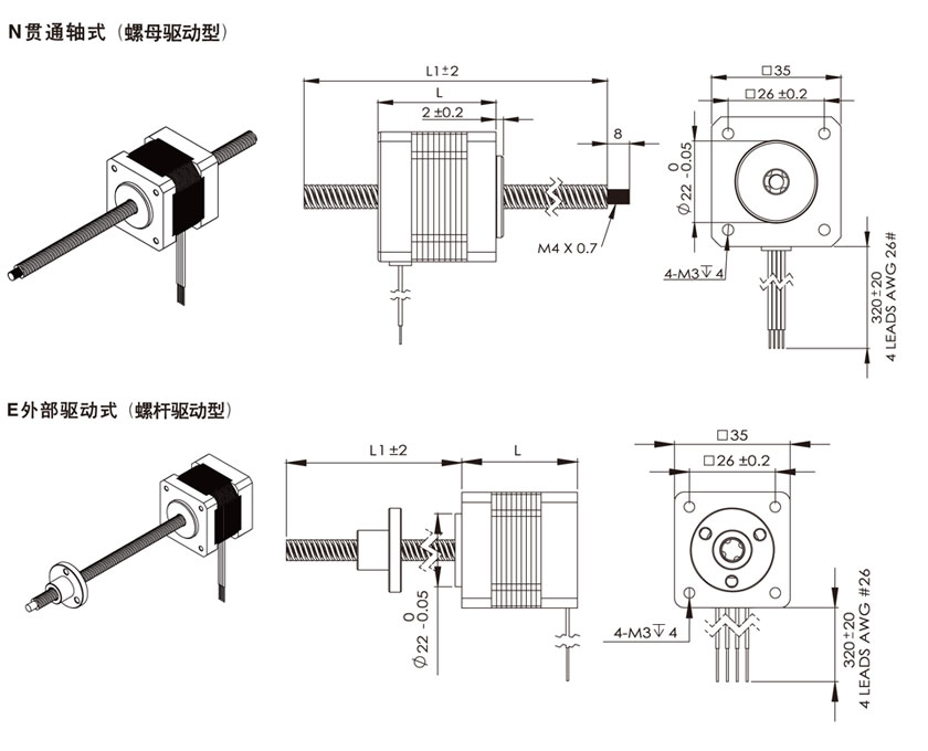
贯通轴式:螺母集成在电机内部随电机转子转动,驱动丝杆做直线运动。
外部驱动式:丝杆与电机集成随电机转子转动,驱动螺母在丝杆上做直线运动。
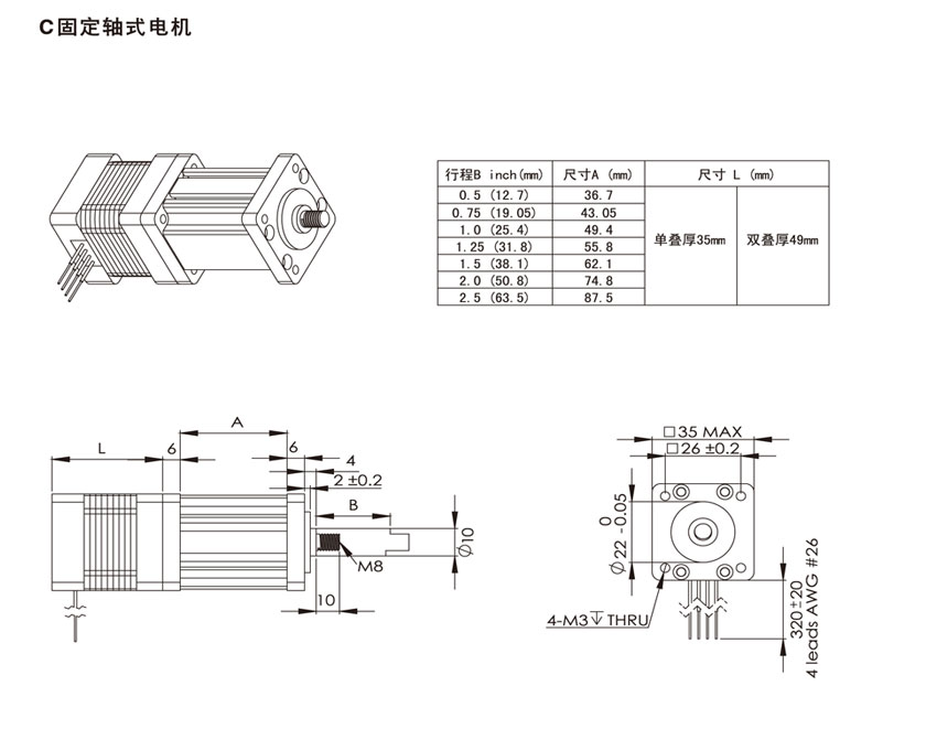
固定轴式:转子和轴通过螺纹连接,通过端罩的键槽或花键来限定轴的径向旋转,合成运动是不带旋转的直线运动。
应用领域
直线步进电机适用于要求精确定位、快速运动和长寿命的应用领域。典型的应用包括X-Y工作台、医疗设备、半导体加工、通信设备、调制阀、印刷设备、环保设备、自动机器人、3D打印机等
产品规格

丝杆参数及代码

外形尺寸


