特点
高性能, 价格低,平稳性佳,低噪音,平稳性极好
设有8 档等角度恒力矩细分,最高20细分
采用独特的控制电路,有效降低了噪音,增加了转动平稳性
电流控制平滑,精准,电机发热小
最高反应频率可达200Kpps
双极恒流斩波方式,使得相同的电机可以输出更大的速度和功率
光电隔离信号输入/输出,抗干扰能力强
驱动电流从0.4A/相到1.4A/相连续可调
单电源输入,电压输入范围:DC18-32V
具有过压、欠压等出错保护功能
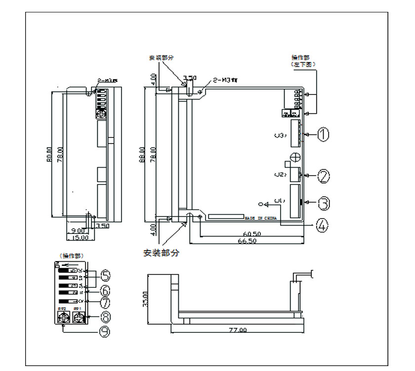
体积非常小巧:ZH5314M是一款小巧的步进驱动器, 体积为88*77*35(mm3)。净重量为:0.14kg
典型应用 医疗设备、点胶机、雕刻机、激光设备、标贴机、电子设备、广告设备等自动化设备。在用户期望低发热、小噪声、低振动、高平稳性、高精度的设备.
概述 ZH5314M是为等角度恒力矩细分驱动器,驱动电压DC18-32V。适配电流在1.4以下,外径60,86mm 的各种型号的五相混合式步进电机。该驱动器使用双极性恒流斩波驱动技术,使用同样电机输出更大力矩和速度。采用独特控制电路,有效降低电机噪音,电机运行更平稳。
外形尺寸


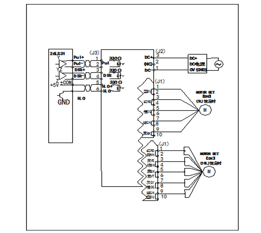
接线说明
