DD马达系列
AX1000T系列
AX2000T系列
AX4000T系列
AX6000M系列
MU 型驱动器
TS、TH 型驱动器
你现在所在的位置:
网站首页
>
产品中心
>
DD马达系列
>
AX6000M系列
> AX6000M系列
AX6000M系列
产品详情
AX6000M系列电机命名规则
AX6000M系列电机参数表
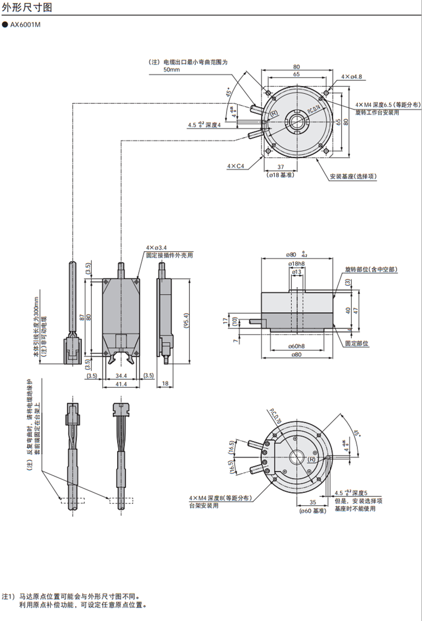
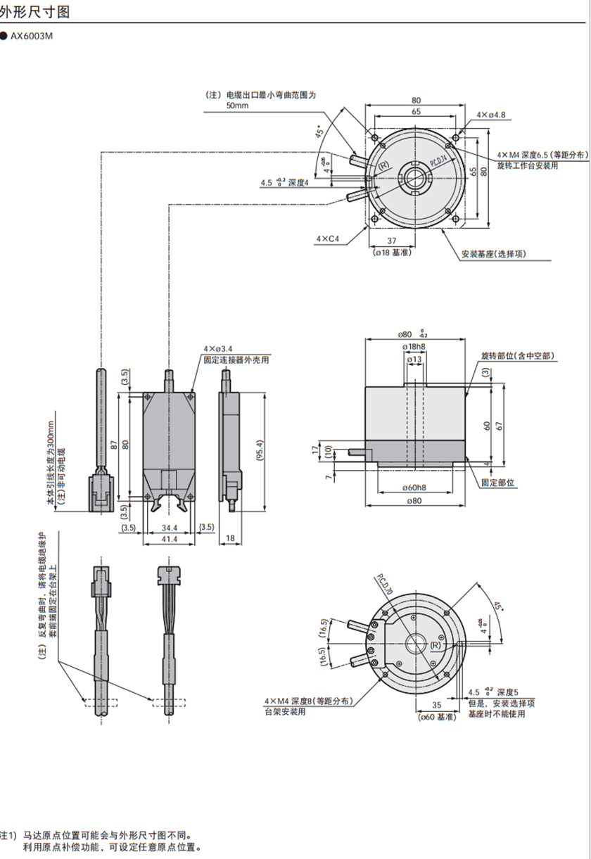
AX6000M系列电机安装尺寸图
(图1)
(图2)
相关步进电机推荐
混合伺服驱动器ZHS806H-P
混合伺服驱动器ZHS507-P
86mm三相步进电机
直线丝杆步进电机命名规则
86mm混合伺服电机
86mm系列防水步进电机
直线步进电机
相关行业资讯
1、
不同的规格影响着线性模组不同的结构发展
2、
步进电机操作时需要注意的事项
3、
为保证质量要求大家保证选择的步进电机符合三点要求
4、
步进电机应用3D打印机出现马力不足和负载过大
5、
振合电机 3月展会计划
6、
步进电机的价格受到哪些因素的影响
7、
为保证步进电机结构状态正常需要大家做好的检查工作
8、
振合机电ZHBHYT系列集成式步进伺服电机全新优异性能表现
9、
合理使用步进电机就是要求用户如此做
10、
步进电动机的控制与驱动
11、
直线步进电机的驱动电源
12、
步进电机控制定位工作原理
13、
运动控制器以模拟量信号控制伺服电机的调试步骤
14、
振合步进电机价格大致分为4个等级
15、
消费者的不同需求,步进电机都能够满足
vape detector for home
best smoke alarms australia
深圳网站建设公司
惠州网站建设公司
步进电机资讯网
深圳公司注册代跑腿
深圳络远工业技术
深圳司南磁电
深圳大泽高科
力控智能科技
深圳环保评估
Rök och kolmonoxid detektoren
Rauch und Kohlenmonoxid Melder Alarm
Czujniki dymu i tlenku węgla
深圳嘉扬步进电机
深圳网站建设
深圳网站公司