DD马达系列
AX1000T系列
AX2000T系列
AX4000T系列
AX6000M系列
MU 型驱动器
TS、TH 型驱动器
你现在所在的位置:
网站首页
>
产品中心
>
DD马达系列
>
AX4000T系列
> AX4000T系列
AX4000T系列
产品详情
AX4000T系列电机命名规则
(图1)
(图2)
(图3)
AX4000T系列电机参数表
(图1)
(图2)
(图3)
AX4000T系列电机矩频特性图
(图1)
(图2)
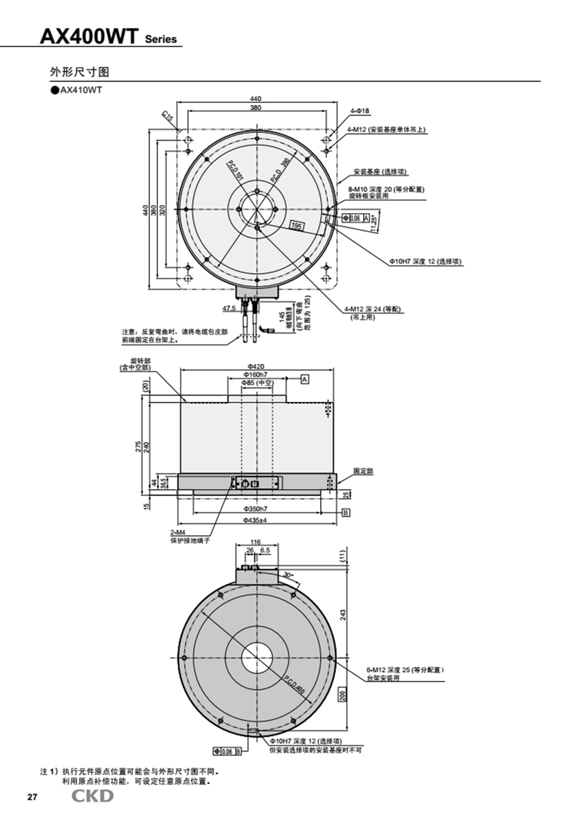
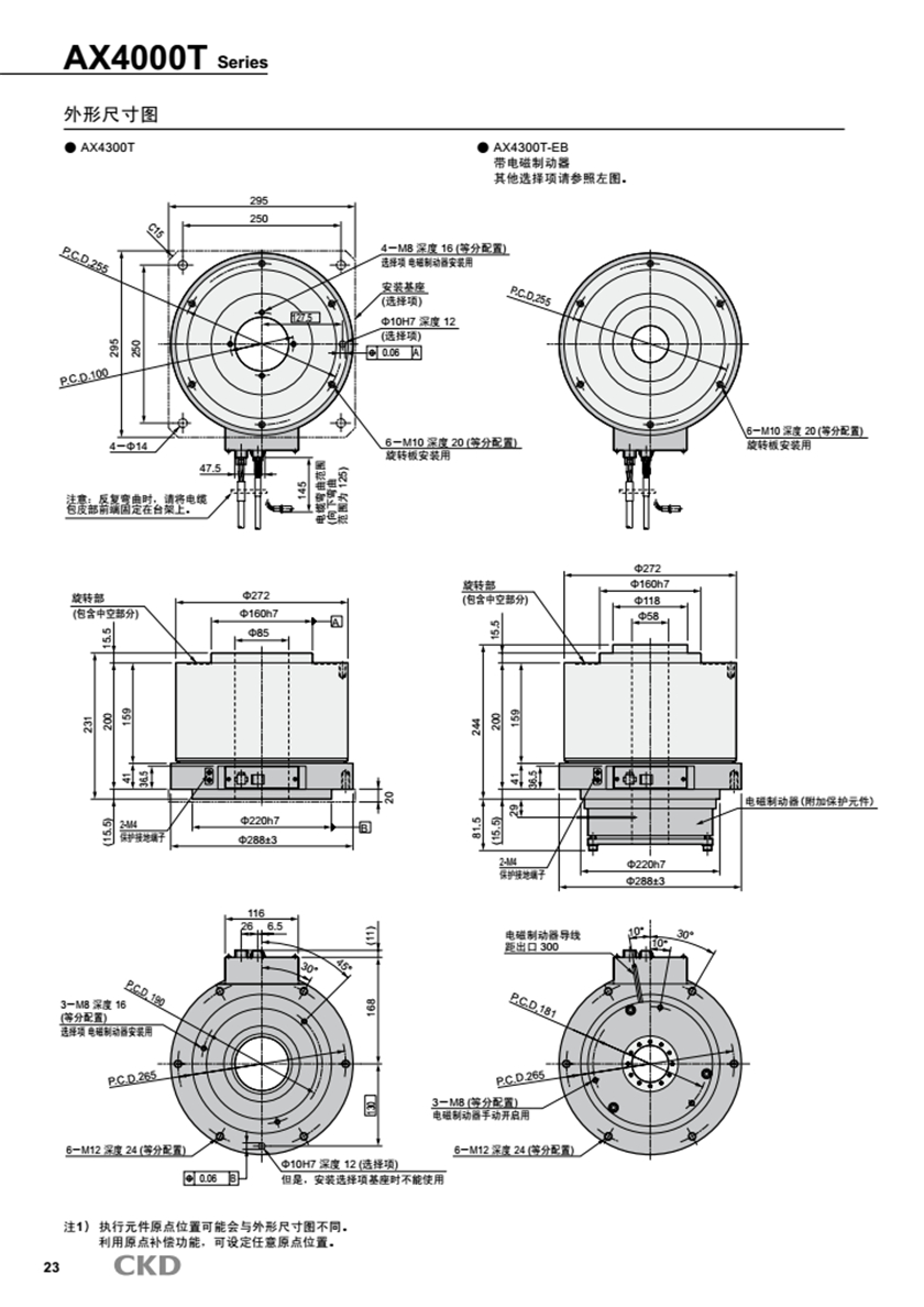
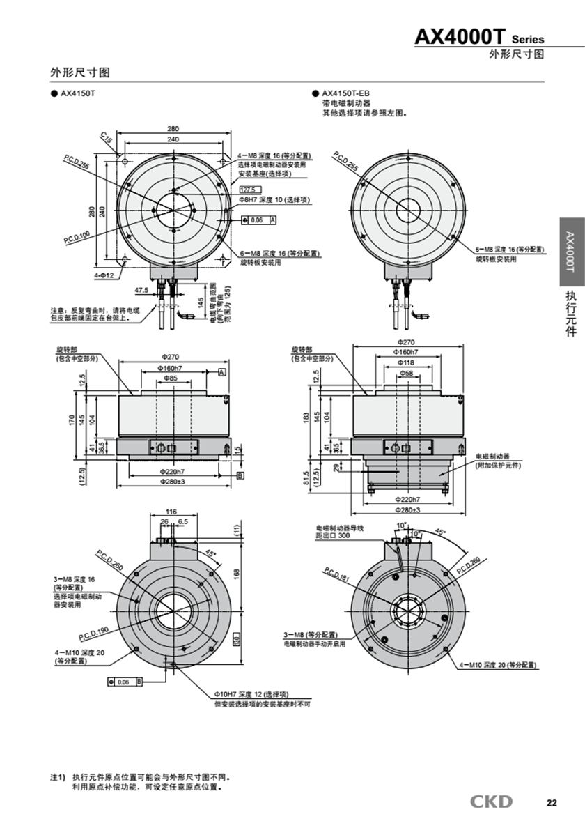
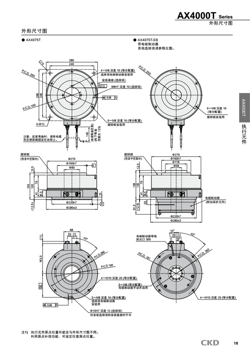
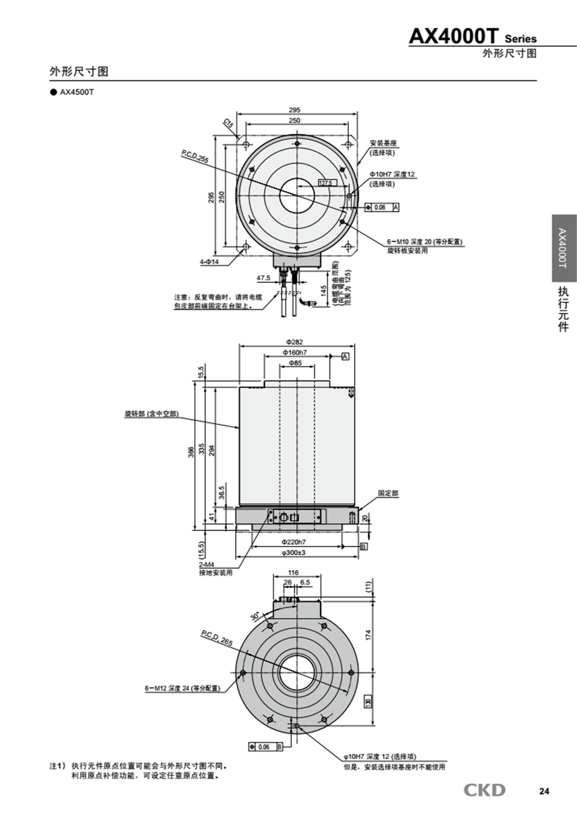
AX4000T系列电机安装尺寸图
(图1)
(图2)
(图3)
(图4)
(图5)
(图6)
(图7)
(图8)
相关步进电机推荐
110mm两相步进电机
混合伺服驱动器ZHS806H-P
两相步进驱动器ZH556M
60mm系列防水步进电机
86mm直线丝杆步进电机
混合伺服驱动器ZHS507-P
直线步进电机
相关行业资讯
1、
步进电机速度控制与转矩控制的区别
2、
用户如何做才能在步进电机的应用安全方面做好保障
3、
如何确定步进电机驱动器的直流供电电源?
4、
振合和科克并购,成立振合电机直线传动公司
5、
伺服电机是什么?伺服系统是什么?
6、
考考维修电工面试题,你能答对几题?
7、
步进电机的几大特点,你了解多少
8、
步进电机的测速方法
9、
细分驱动器的细分数是否能代表精度?
10、
步进电机的护理工作,要重视
11、
关于驱动器的细分原理及一些相关说明
12、
步进电机具备着哪些特点
13、
步进电机和交流伺服电机性能比较
14、
混合式直线步进电动机结构和工作原理
15、
带大家简要了解一下步进电机的定义
vape detector for home
best smoke alarms australia
深圳网站建设公司
惠州网站建设公司
步进电机资讯网
深圳公司注册代跑腿
深圳络远工业技术
深圳司南磁电
深圳大泽高科
力控智能科技
深圳环保评估
Rök och kolmonoxid detektoren
Rauch und Kohlenmonoxid Melder Alarm
Czujniki dymu i tlenku węgla
深圳嘉扬步进电机
深圳网站建设
深圳网站公司