DD马达系列
AX1000T系列
AX2000T系列
AX4000T系列
AX6000M系列
MU 型驱动器
TS、TH 型驱动器
你现在所在的位置:
网站首页
>
产品中心
>
DD马达系列
>
AX2000T系列
> AX2000T系列
AX2000T系列
产品详情
AX2000T电机命名规则
AX2000T电机矩频特性图
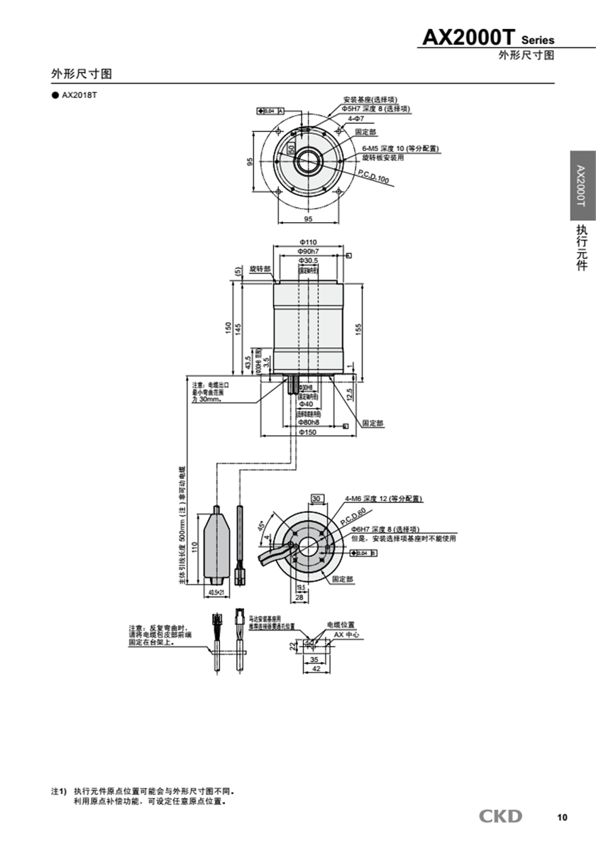
AX2000T电机尺寸图
相关步进电机推荐
86mm五相步进电机
57mm直流无刷电机
110mm交流伺服电机
AX1000T系列
五相步进驱动器ZH5408M
57mm-2系列行星减速机
直线步进电机
相关行业资讯
1、
步进电机到底是什么
2、
步进电机的加减速过程如何控制
3、
生产中步进电机厂家实现自身发展的主要依据
4、
直线步进电机应用领域与选型参数介绍
5、
振合电机推出带新型安装盘的G4-37000电机
6、
为什么步进电机会产生轴电流
7、
怎么进行步进电机安装工作才能确保取得优化表现
8、
深圳步进电机:关于步进电机驱动器的特点,您知道吗?
9、
需要避免步进电机在运输上存在损失的情况
10、
步进电机角度精度判定
11、
步进电机在工业机器人中的巧妙应用
12、
安装步进伺服电机时需谨慎的四大注意事项
13、
开环状态下步进电机运用
14、
丝杆电机的原理设计
15、
工作人员在步进电机生产中需遵守这些安全规程
vape detector for home
best smoke alarms australia
深圳网站建设公司
惠州网站建设公司
步进电机资讯网
深圳公司注册代跑腿
深圳络远工业技术
深圳司南磁电
深圳大泽高科
力控智能科技
深圳环保评估
Rök och kolmonoxid detektoren
Rauch und Kohlenmonoxid Melder Alarm
Czujniki dymu i tlenku węgla
深圳嘉扬步进电机
深圳网站建设
深圳网站公司