DD马达系列
AX1000T系列
AX2000T系列
AX4000T系列
AX6000M系列
MU 型驱动器
TS、TH 型驱动器
你现在所在的位置:
网站首页
>
产品中心
>
DD马达系列
>
AX1000T系列
> AX1000T系列
AX1000T系列
产品详情
AX1000T系列电机命名规则
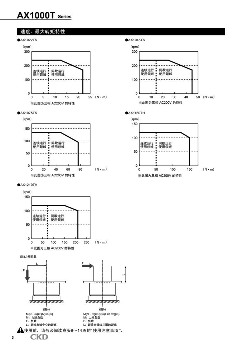
AX1000T系列电机矩频特性图
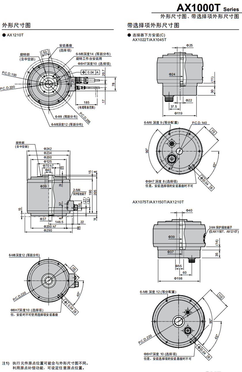
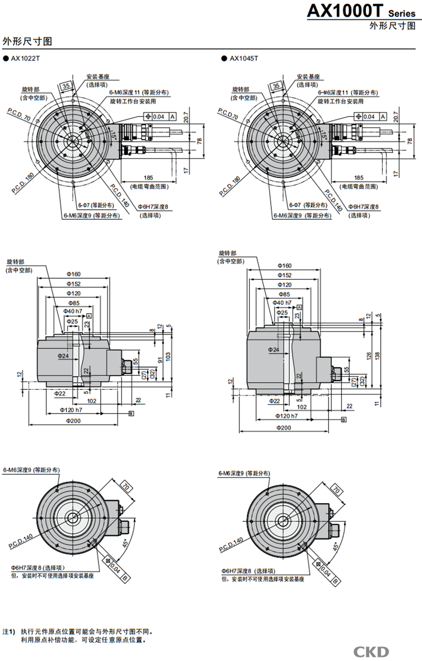
AX1000T系列电机安装尺寸图
(
图1)
(图2)
(图3)
相关步进电机推荐
42mm系列防水步进电机
400W、750W、1KW交流伺服驱动器
混合伺服命名规则
三相高压步进驱动器ZH3722M
五相步进驱动器ZH5308M
86mm三相步进电机
直线步进电机
相关行业资讯
1、
步进电机及驱动器四大基本选型须知
2、
为保证步进电机功能正常大家要在这些方面做好检查
3、
103H8222-5041 山洋电机
4、
破外国封锁-自主研发微电机
5、
步进电机运行中要注意的两个重点
6、
增加步进电机动态转矩的方法
7、
振合机电推出带边长43MM安装模块的G4-37000电机
8、
步进电机的力矩会发生变化
9、
伺服电机低转速扭矩输出
10、
振合精密混合式丝杆步进电机应用优势
11、
振合电机产品的制作材料-Kerkite工程材料
12、
步进电机数字模拟转化中最大速度控制
13、
步进电机的优化应用需要大家做好两方面的清洁工作
14、
如何克服两相混合式步进电动机在低速运转时的振动和噪声?
15、
伺服电机正余弦编码器的相位对齐方式
vape detector for home
best smoke alarms australia
深圳网站建设公司
惠州网站建设公司
步进电机资讯网
深圳公司注册代跑腿
深圳络远工业技术
深圳司南磁电
深圳大泽高科
力控智能科技
深圳环保评估
Rök och kolmonoxid detektoren
Rauch und Kohlenmonoxid Melder Alarm
Czujniki dymu i tlenku węgla
深圳嘉扬步进电机
深圳网站建设
深圳网站公司