步进电机系列
两相步进电机三相步进电机五相步进电机刹车步进电机防水步进电机
你现在所在的位置:网站首页 > 产品中心 > 步进电机系列 > 五相步进电机 > 86mm五相步进电机
步进电机系列-步进电机供应商振合机电

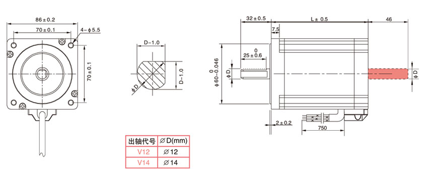
86mm五相步进电机

产品名称:86mm五相步进电机
产品类别:五相步进电机
产品型号:ZH86HE65-1232A、ZH86HE65-1232A28、ZH86HE96-1232A、ZH86HE96-1232A28、ZH86HE127-1232A
产品下载:86mm五相步进电机
步距精度:5%
最高温度: 80°C Max
环境温度:-20°C~+50°C
绝缘电阻:100MΩ Min 500VDC 
耐压数值:500V AC  1minute
产品详情

特点
双极性0.72°;
机座号:86;
保持转矩:2.0~4.0N.M;
输出转矩大,高转速;电机发热小,噪音低,效率高;
高速停止平稳快速,无零速振荡运行平稳,振动噪声小;
响应速度快,适合频繁启停的场合。
技术数据


外形尺寸


接线图

A

B

C

D

E

绿


矩频特性曲线图

相关步进电机推荐
直线步进电机相关行业资讯
1、插入电源时要注意看清步进电机驱动器的正负标示
2、步进电机是什么?
3、齿条传动伺服电子齿轮比的算法
4、振合电机推出折叠式电机驱动的RGS导轨
5、集成式步进步进电机全新优异性能表现
6、步进电机的热保护连续发生动作的时候要及时检查处理
7、智能化促使变频器市场将会进入高速增长期
8、步进电机驱动定量泵压力间接测量系统
9、步进电机的应用领域
10、伺服电机产品在无缝内衣机上的应用
11、步进电机的价格受哪些因素的影响
12、德国ELGO增量式磁栅尺简述
13、厂家在发展中为什么要重视步进电机的质量
14、步进电机的产生与发展
15、振合机电全新推出35000系列双叠厚贯通轴式电机