步进电机系列
两相步进电机三相步进电机五相步进电机刹车步进电机防水步进电机
你现在所在的位置:网站首页 > 产品中心 > 步进电机系列 > 五相步进电机 > 60mm五相步进电机
步进电机系列-步进电机供应商振合机电

60mm五相步进电机

产品名称:60mm五相步进电机
产品类别:五相步进电机
产品型号:ZH60HE49-0521A、ZH60HE49-0821A14、ZH60HE57-0821A、ZH60HE57-0821A14、ZH60HE87-0821A、ZH60HE87-0821A14
产品下载:60mm五相步进电机
步距精度:5%
最高温度: 80°C Max
环境温度:-20°C~+50°C
绝缘电阻:100MΩ Min 500VDC 
耐压数值:500V AC  1minute
产品详情

特点
双极性0.72°;
机座号:60;
保持转矩:0.42~1.3N.M;
输出转矩大,高转速;电机发热小,噪音低,效率高;
高速停止平稳快速,无零速振荡运行平稳,振动噪声小;
响应速度快,适合频繁启停的场合。
技术数据


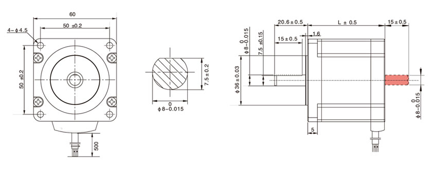
外形尺寸


接线图

A

B

C

D

E

绿


矩频特性曲线图


相关步进电机推荐
直线步进电机相关行业资讯
1、浅析步进电机5种驱动方法的利弊
2、振合机电推出使用485通信协议的IDEA驱动器
3、关注这些问题步进电机才能长远的发展
4、步进电机的工作原理全知道,看看更利于高效的工作
5、步进电机是如何控制脉冲信号的?
6、交流伺服电机与步进电机的区别
7、永磁直流电机的用途
8、节能电机需求大增,提升电机节能能效
9、步进电机厂家想要在市场上受到欢迎需要做好哪些
10、怎样减少步进电机的发热呢
11、步进电机和步进电机各方面的区别
12、线性模组在非标自动化设备中有什么运用?
13、浅析步进电机在运行过程中能够发挥哪些特色
14、混合式步进电机要求更小的步进角,通过改变定子绕组电流来实现
15、DD马达提高光盘制造设备的市场竞争