行星减速机系列
命名规则配无刷行星减速机配步进行星减速机配伺服行星减速机
你现在所在的位置:网站首页 > 产品中心 > 行星减速机系列 > 配伺服行星减速机 > 130mm系列高精密减速机
行星减速机系列-步进电机供应商振合机电

130mm系列高精密减速机

产品名称:130mm行星减速机
产品类别:配伺服行星减速机
产品型号:ZH130MG10A25A
产品下载:130mm行星减速机(配伺服)
产品简介:振合机电130mm系列高精密型减速机,均采用国际标准钢材,用20CvMnT渗碳淬火和磨齿,体积小巧,重量轻,输出扭矩大。回程间隙小,钢性好,承载能力强。传动效率高,转动比范围广,精度高。噪声低,寿命长。安装方便、外形美观。保证精密传动的前提下完美运用在降低转速增大扭矩和降低负载/电机的转动惯量比的使用场合.
产品详情

特点
体积小巧,重量轻,输出扭矩大。
回程间隙小,钢性好,承载能力强。
传动效率高,转动比范围广,精度高。
噪声低,寿命长。
安装方便、外形美观。
保证精密传动的前提下完美运用在降低转速增大扭矩和降低负载/电机的转动惯量比的使用场合。
应用领域
振合机电行星减速系列产品目前已广泛应用于雕刻机、激光机、数控机床、纺织服装机械、医疗设备、测量设备、电子加工设备、包装机械设备等需要降低转速增大扭矩和降低负载/电机的转动惯量比的各种自动化设备和仪器上。
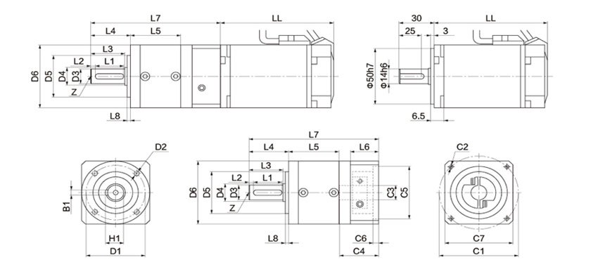
减速机标准外形尺寸


减速机数据


外形尺寸

相关步进电机推荐
直线步进电机相关行业资讯
1、什么是伺服电机
2、步进电机使用中对操作人员的一些规范要
3、绝对型旋转编码器工作原理
4、编码器解码接口在运动控制卡和伺服驱动器中的应用
5、三相混合式多细分步进电机驱动器
6、步进电机从励磁方式上可以分为哪几类
7、选择步进电机及驱动器需要知道的四个基本参数
8、步进电机操作的安全性可以从这些方面进行保证
9、伺服电机常见故障处理技巧
10、步进电机小知识
11、步进电机在产品运输上要求注意的问题
12、步进电机的结构比较简单
13、振合产品标签更改通知
14、与异步电机相比步进电机的效率更高
15、步进电动机的驱动方法