行星减速机系列
命名规则配无刷行星减速机配步进行星减速机配伺服行星减速机
你现在所在的位置:网站首页 > 产品中心 > 行星减速机系列 > 配伺服行星减速机 > 80mm系列高精密减速机
行星减速机系列-步进电机供应商振合机电

80mm系列高精密减速机

产品名称:80mm行星减速机
产品类别:配伺服行星减速机
产品型号:ZH80MG10A25A
产品下载:80mm行星减速机(配伺服)
产品简介:振合机电80mm系列高精密型减速机,均采用国际标准钢材,用20CvMnT渗碳淬火和磨齿,体积小巧,重量轻,输出扭矩大。回程间隙小,钢性好,承载能力强。传动效率高,转动比范围广,精度高。噪声低,寿命长。安装方便、外形美观。保证精密传动的前提下完美运用在降低转速增大扭矩和降低负载/电机的转动惯量比的使用场合.
产品详情

特点
体积小巧,重量轻,输出扭矩大。
回程间隙小,钢性好,承载能力强。
传动效率高,转动比范围广,精度高。
噪声低,寿命长。
安装方便、外形美观。
保证精密传动的前提下完美运用在降低转速增大扭矩和降低负载/电机的转动惯量比的使用场合。
应用领域
振合机电行星减速系列产品目前已广泛应用于雕刻机、激光机、数控机床、纺织服装机械、医疗设备、测量设备、电子加工设备、包装机械设备等需要降低转速增大扭矩和降低负载/电机的转动惯量比的各种自动化设备和仪器上。
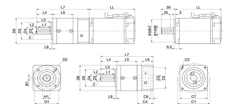
减速机标准外形尺寸


减速机数据


外形尺寸

相关步进电机推荐
直线步进电机相关行业资讯
1、步进电机中的电励磁的工作过程有怎样的特点
2、想要发挥步进电机最佳性能维护和保养应该要做好
3、减速马达是怎么接线的
4、为保证步进电机结构状态正常需要大家做好的检查工作
5、步进电机如何保证产品质量受到肯定
6、低振动的马达驱动IC TB62209FG duo6
7、步进电机的温度问题
8、充分保证罩极电机产品使用性能的手段
9、霍尔传感器在直线步进电机中的应用
10、如何克服两相混合式步进电机在低速运转时的振动和噪声?
11、直线步进电机在生化分析仪加样臂上的典型应用
12、介绍滑动丝杆电机的选择要素
13、步进电动机的驱动方法
14、电机会产生轴电流的原因及其预防危害措施?
15、步进电机的运行要在合适的环境中