行星减速机系列
命名规则配无刷行星减速机配步进行星减速机配伺服行星减速机
你现在所在的位置:网站首页 > 产品中心 > 行星减速机系列 > 配步进行星减速机 > 57mm-1系列行星减速机
行星减速机系列-步进电机供应商振合机电

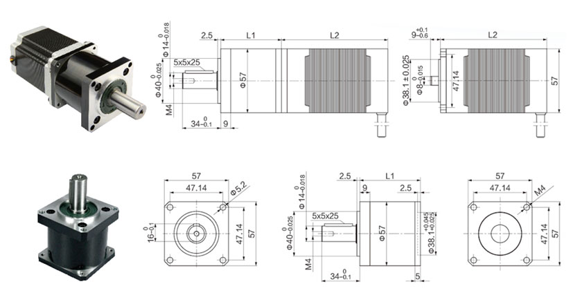
57mm-1系列行星减速机

产品名称:57mm-1行星减速机
产品类别:配无刷行星减速机
产品型号:ZH57PG10A10A、ZH57PG10A10B、ZH57PG10A14A
产品下载:57mm-1行星减速机(配步进)
产品简介:振合机电57mm系列加强传动型减速机,均采用国际标准钢材,用20CvMnT渗碳淬火和磨齿,体积小巧,重量轻,输出扭矩大。回程间隙小,钢性好,承载能力强。传动效率高,转动比范围广,精度高。噪声低,寿命长。安装方便、外形美观。保证精密传动的前提下完美运用在降低转速增大扭矩和降低负载/电机的转动惯量比的使用场合.
产品详情

特点
体积小巧,重量轻,输出扭矩大。
回程间隙小,钢性好,承载能力强。
传动效率高,转动比范围广,精度高。
噪声低,寿命长。
安装方便、外形美观。
保证精密传动的前提下完美运用在降低转速增大扭矩和降低负载/电机的转动惯量比的使用场合。
应用领域
振合机电行星减速系列产品目前已广泛应用于雕刻机、激光机、数控机床、纺织服装机械、医疗设备、测量设备、电子加工设备、包装机械设备等需要降低转速增大扭矩和降低负载/电机的转动惯量比的各种自动化设备和仪器上。
减速机数据


外形尺寸

相关步进电机推荐
直线步进电机相关行业资讯
1、机器人革命助力制造业腾飞ck3
2、步进电机是如何控制脉冲信号的?
3、为什么要选择国产线性模组?
4、微电机行业将会被市场引领着走向高精尖的方向
5、步进电机和异步电机在设计上具有的两点区别之处简析
6、在步进电机的启动方面需要用户注意的问题
7、步进电机全闭环控制系统实现技巧
8、两相混合式步进电动机位置闭环控制的实现
9、步进电机各种失步现象分析
10、闭环控制的伺服系统设计
11、怎么样选择最合适的步进步进电机
12、变频器谐波对电机转矩的影响
13、振合机电推出加长行程系列的G4-19000电机
14、步进电机在使用时,应当注意的事项
15、振合电机为客户定制的直线滑轨系统