步进电机系列
两相步进电机三相步进电机五相步进电机刹车步进电机防水步进电机
你现在所在的位置:网站首页 > 产品中心 > 步进电机系列 > 防水步进电机 > 86mm系列防水步进电机
步进电机系列-步进电机供应商振合机电

86mm系列防水步进电机

产品名称:86防水步进电机
产品类别:防水步进电机
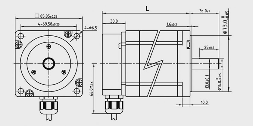
产品型号:ZH86HB10845E-IP**、ZH86HB14460E-IP**
产品下载:86防水步进电机
产品介绍:源自日本技术,推出大力矩防水、防腐蚀步进电机,加工和外表处理采用了特殊的工艺,前端盖采用进口油封,后端盖直接从电机里面引出电缆线,电机可以在一米深以内水中正常运行,已广泛用于环境恶劣的条件下,特别是在喷泉设备上使用更显示其优越性能。
产品详情

特性
防水、防尘性,防护等级最高可达IP68
符合IEC规格的IP64、IP65,可于溅水环境中使用。最高可达IP68,侵入在1米深水中,仍然可正常工作。
IP64 防护喷水,从每个方向对准柜体的喷水都不应引起损害。
IP65 防护射水,从每个方向对准柜体的射水都不应引起损害。
IP68 防护长期浸水,可以在特定的条件下浸入水中,不应有能引起损害的水量浸入。
增强耐腐蚀性
通过采用特殊涂层及轴材质采用不锈钢等措施,增强了耐腐蚀性能。
支持防水、防尘的设计和结构
电机外表部件(前、后端盖及外壳)采用无缝隙的结构,电机电缆线直接从电机后端盖引出
电机外表各部件的结合面(前、后端盖于外壳的结合面,接线端口与接线端的结合面,紧固螺栓与螺栓孔的结合面,电机轴与轴孔的结合面)之间设有密封机构。
应用领域
深圳振合机电
防水步进电机目前广泛用于雕刻机、激光机、数控机床、纺织服装机械、医疗设备、测量设备、电子加工设备、包装机械设备等各种自动化设备和仪器上。
产品规格


外形尺寸

相关步进电机推荐
直线步进电机相关行业资讯
1、步进电动机的通电方式和步距角
2、57DS数字式一体化低压伺服电机
3、介绍一下步进电机至关重要的相关组成部件
4、行星减速机功率0.75千瓦,转速1390.行星齿轮11怎样计算速比
5、步进电机具备着哪些特点
6、操作步进电机最好注意在安全性上的保证
7、振合推出大力矩86防水步进电机两款新产品
8、如何优化步进电机的选型
9、步进电机的产生与发展
10、如何选购丝杆电机
11、如何做好步进电机的升降曲线?
12、步进步进电机使驱动装置灵活方便
13、开环步进伺服系统工作原理
14、如何正确保养步进电机
15、进给伺服系统的系统增益