步进电机系列
两相步进电机三相步进电机五相步进电机刹车步进电机防水步进电机
你现在所在的位置:网站首页 > 产品中心 > 步进电机系列 > 刹车步进电机 > 42mm刹车步进电机
步进电机系列-步进电机供应商振合机电

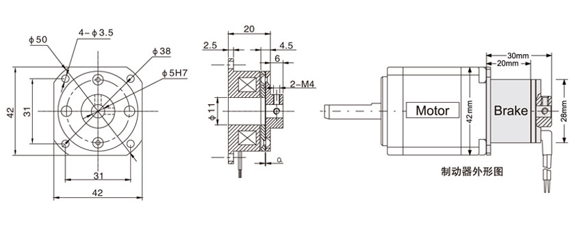
42mm刹车步进电机

产品名称:42刹车步进电机
产品类别:刹车步进电机
产品型号:ZH42HB3412S、ZH42HB4017S、ZH42HB4820S
产品下载:42刹车步进电机
产品简介:电磁制动,又名刹车、报闸、制动器,当电机断电时刹车系统瞬间启动,把电机轴牢牢锁死,阻止设备因断电,使电机因工作负载自然下滑或外力水平移动,以保持工作停止原位状态,通电后及时松开不影响电机正常工作。

产品详情

特点
42刹车步进电机,步进、伺服电机专用制动器:
1、失电制动,掉电保护电机及设备的安全;
2、反应时间是普通弹簧压紧电磁制动器的1/10;
3、体积小,保持扭力大,并可线性调节;
4、完全实现高速零损耗静音运行,超长寿命表现;
5、功耗小,热平衡温度低;
6、使用中无需高速气隙,任意角度实现均衡制动;
7、大温度范围内提供稳定的制动扭矩;
8、外形订制,可与电机紧密配成一体;
9、高精度定位步进电机、伺服电机,特别是Z轴运动系统的首选制动单元。
产品规格


外形尺寸


刹车矩频特性

相关步进电机推荐
直线步进电机相关行业资讯
1、振合直线电机在生化仪器上的应用
2、为对步进电机做好保养需要大家注意的问题
3、步进电机选用中的注意事项
4、合理保养能保证步进电机性能更好
5、参数的正确设置可控制步进电机的各种运行状态
6、这样进行步进电机的选择比较好
7、MOONS鸣志脉冲输入型STM23R集成式步进电机
8、步进电机在产品质检上需要做到哪些
9、了解步进电机发热的合理范围及步进电机发热随速度变化的情况
10、电动机故障判断方法及维修攻略
11、2285R三相(高压)数字式步进驱动器
12、步进电机日常监测和维护
13、深圳步进电机在使用前应检查的事项有哪些?您知多少?
14、用户如何做才能在步进电机的应用安全方面做好保障
15、江特电机发布澄清公告 午后复牌