步进电机系列
两相步进电机三相步进电机五相步进电机刹车步进电机防水步进电机
你现在所在的位置:网站首页 > 产品中心 > 步进电机系列 > 刹车步进电机 > 35mm刹车步进电机
步进电机系列-步进电机供应商振合机电

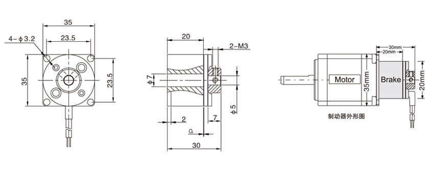
35mm刹车步进电机

产品名称:35刹车步进电机
产品类别:刹车步进电机
产品型号:ZH35HB3808S、ZH35HB5208S
产品下载:35刹车步进电机
产品简介:电磁制动,又名刹车、报闸、制动器,当电机断电时刹车系统瞬间启动,把电机轴牢牢锁死,阻止设备因断电,使电机因工作负载自然下滑或外力水平移动,以保持工作停止原位状态,通电后及时松开不影响电机正常工作。
产品详情

特点
35刹车步进电机,步进、伺服电机专用制动器:
1、失电制动,掉电保护电机及设备的安全;
2、反应时间是普通弹簧压紧电磁制动器的1/10;
3、体积小,保持扭力大,并可线性调节;
4、完全实现高速零损耗静音运行,超长寿命表现;
5、功耗小,热平衡温度低;
6、使用中无需高速气隙,任意角度实现均衡制动;
7、大温度范围内提供稳定的制动扭矩;
8、外形订制,可与电机紧密配成一体;
9、高精度定位步进电机、伺服电机,特别是Z轴运动系统的首选制动单元。
产品规格


外形尺寸


刹车矩频特性

相关步进电机推荐
直线步进电机相关行业资讯
1、步进电机的选购需要专业人员的帮助
2、行星减速机的安装简述及其发展趋势
3、步进电机在什么情况下使用减速器
4、PLC对步进电机的快速精确定位控制(附PLC原程序)
5、减速步进电机会发生渗漏油的4大原因
6、关于步进电机速度提不上去的问题
7、如何正确保养步进电机
8、步进电机常见问题解析
9、直线电机与旋转电机的比较
10、在购买步进电机的时候要注意什么?
11、合理保养能保证步进电机性能更好
12、步进电机在未来有四大发展趋势
13、步进电机在包装上的设计上会关注哪些
14、振合机电集成ZHYT系列节约了电机选型及方案确定方面的成本
15、步进电机加减速控制方法 ​