步进电机系列
两相步进电机三相步进电机五相步进电机刹车步进电机防水步进电机
你现在所在的位置:网站首页 > 产品中心 > 步进电机系列 > 刹车步进电机 > 28mm刹车步进电机
步进电机系列-步进电机供应商振合机电

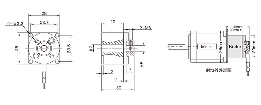
28mm刹车步进电机

产品名称:28刹车步进电机
产品类别:刹车步进电机
产品型号:ZH28HB4013S、ZH28HB5113S
产品下载:28刹车步进电机
产品简介:电磁制动,又名刹车、报闸、制动器,当电机断电时刹车系统瞬间启动,把电机轴牢牢锁死,阻止设备因断电,使电机因工作负载自然下滑或外力水平移动,以保持工作停止原位状态,通电后及时松开不影响电机正常工作。
产品详情

特点
28刹车步进电机,步进、伺服电机专用制动器:
1、失电制动,掉电保护电机及设备的安全;
2、反应时间是普通弹簧压紧电磁制动器的1/10;
3、体积小,保持扭力大,并可线性调节;
4、完全实现高速零损耗静音运行,超长寿命表现;
5、功耗小,热平衡温度低;
6、使用中无需高速气隙,任意角度实现均衡制动;
7、大温度范围内提供稳定的制动扭矩;
8、外形订制,可与电机紧密配成一体;
9、高精度定位步进电机、伺服电机,特别是Z轴运动系统的首选制动单元。

产品规格


外形尺寸


刹车矩频特性

相关步进电机推荐
直线步进电机相关行业资讯
1、步进电机和步进电机应用轴承磨床的控制系统比较
2、振合机电推出DCM4826X步进电机驱动器
3、振合机电新推出PCM7539X IDEA智能驱动器
4、振合,直线运动领域的领航者
5、分享减速步进电机的相关知识
6、振合机电最新推出BGS08直线导轨系统
7、振合机电全新推出第4代(G4)37000系列直线步进电机
8、步进电机的优点主要表现在哪些方面
9、伺服行星减速步进电机常见问题解答
10、步进步进电机:步进步进电机的行业内部一些参数
11、振合机电全新推出带电机的Splinerail直线执行器
12、振合机电亮相2015华南自动化展
13、步进电机的调速方法和优点
14、做好直线模组的超长精度调试有着重要意义
15、步进电机在构造上有三种主要类型