步进电机系列
两相步进电机三相步进电机五相步进电机刹车步进电机防水步进电机
你现在所在的位置:网站首页 > 产品中心 > 步进电机系列 > 两相步进电机 > 20mm两相步进电机
步进电机系列-步进电机供应商振合机电

20mm两相步进电机

产品名称:20mm两相步进电机
产品类别:两相步进电机
产品型号:ZH20HB30-0410A、ZH20HB40-0410A
产品下载:20mm两相步进电机
步距精度:5%
最高温度: 80°C Max
环境温度:-20°C~+50°C
绝缘电阻:100MΩ Min 500VDC 
耐压数值:500V AC  1minute

产品详情

特点
双极性1.8°;
机座号:20;
保持转矩:0.020~0.036N.M;
输出转矩大,高转速;电机发热小,噪音低,效率高;
高速停止平稳快速,无零速振荡运行平稳,振动噪声小;
响应速度快,适合频繁启停的场合。
技术数据


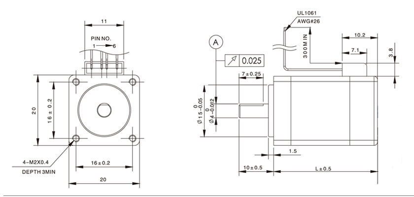
外形尺寸


接线图

A+

A-

B+

B-

绿


矩频特性曲线图

相关步进电机推荐
直线步进电机相关行业资讯
1、电机(直流电机 微电机 减速电机)控制市场格局简单介绍
2、(机器人减速电机)未来 机器人或成为现实生活中的超人
3、振合直线电机类型:外部驱动式、贯通轴式和固定轴式
4、实现PCC控制的步进电机具有很大的实用价值
5、振合电机全新推出G4永磁式直线步进电机
6、带领大家来认识一下永磁步进电机
7、振合电机亮相2015华南自动化展
8、步进电机和交流伺服电机性能比较
9、步进电机的开环和闭环控制
10、如何正确的选择步进电机
11、给大家简要介绍一下步进电机的分类
12、步进电机多被使用在大型发电机的场合
13、工作人员在步进电机使用中应做好这些准备工作
14、自动化行业直线模组哪个品牌好
15、优秀的步进电机有着怎样的特点