步进电机系列
两相步进电机三相步进电机五相步进电机刹车步进电机防水步进电机
你现在所在的位置:网站首页 > 产品中心 > 步进电机系列 > 三相步进电机 > 130mm三相步进电机
步进电机系列-步进电机供应商振合机电

130mm三相步进电机

产品名称:130mm三相步进电机
产品类别:三相步进电机
产品型号:ZH130HC170-1945A、ZH130HC199-1945A、ZH130HC226-1945A、ZH130HC282-1945A
产品下载:130mm三相步进电机
步距精度:5%
最高温度: 80°C Max
环境温度:-20°C~+50°C
绝缘电阻:100MΩ Min 500VDC 
耐压数值:500V AC  1minute
产品详情

特点
双极性1.2°
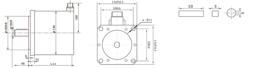
机座号:130
保持转矩:23~50N.M
输出转矩大,高转速
电机发热小,噪音低,效率高
高速停止平稳快速,无零速振荡运行平稳,振动噪声小
响应速度快,适合频繁启停的场合
技术数据


外形尺寸


接线图

相关步进电机推荐
直线步进电机相关行业资讯
1、步进电机的选用及驱动电源说明
2、当前步进电机的运动特性已经被有效改善
3、步进电机的速度特性
4、直线步进电机直线运动band的设置原则
5、使用步进电机的时候要注意避免出现这类情况
6、你不知道的步进电机行业主流术语
7、浅析步进电机在运行过程中能够发挥哪些特色
8、步进电机在电脑刺绣机上的运用
9、步进电机的工作特点和使用特性
10、采用PLC 通过驱动器来控制步进电机的运转
11、国家中小型电机及系统工程技术的研究
12、振合电机推出花键轴直线执行机构
13、齿条传动伺服电子齿轮比的算法
14、步进电机没有故障才能正常工作
15、步进电机空载最高速度的问题